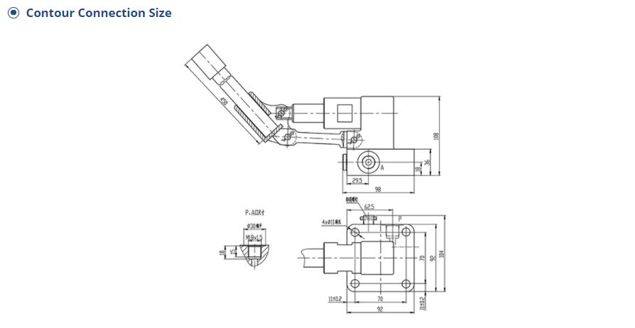
OEM ODM PDF14-00 Parking Brake Pump
Description
The PDF14-00 Parking Brake Pump is designed to enhance safety and efficiency in various mobile machinery applications. This power brake valve system provides high operational reliability while requiring minimal operating force. It is ideal for use in construction equipment, material handling vehicles, forestry, and agricultural machines, ensuring smooth and dependable braking performance. Manufactured by Gaoyu, this charging valve and brake valve are synonymous with high performance, making it a trusted choice for professionals in the field.
Specifications
| Attribute | Details |
|---|---|
| Type | Power Brake Valve System |
| Applications | Construction Equipment, Material Handling Vehicles, Forestry Machines, Agricultural Machines |
| Operating Force | Low |
| Manufacturer | Gaoyu |
Additional Information
- High operation safety
- Reliable performance under various conditions
Related Products
Product Inquiry Form
Thanks your message successfully submitted.


